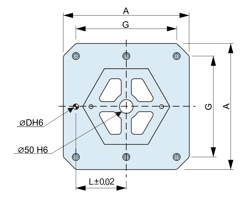
| Part No. | A | B | C | D | D1 | F | G | H | K | L |
|---|---|---|---|---|---|---|---|---|---|---|
| BU41200_400_400_500 | 400 | 400 | 250 | 500 | 20 | 55 | 320 | 50 | 144 | 150 |
| BU41200_400_400_650 | 400 | 400 | 250 | 650 | 20 | 55 | 320 | 50 | 144 | 150 |
| BU41200_500_500_600 | 500 | 500 | 300 | 600 | 20 | 75 | 400 | 50 | 173 | 200 |
| BU41200_500_500_750 | 500 | 500 | 300 | 750 | 20 | 75 | 400 | 50 | 173 | 200 |
| BU41200_630_630_700 | 630 | 630 | 350 | 700 | 25 | 100 | 500 | 50 | 202 | 200 |
| BU41200_630_630_850 | 630 | 630 | 350 | 850 | 25 | 100 | 500 | 50 | 202 | 200 |
| BU41200_800_800_800 | 800 | 800 | 500 | 800 | 25 | 135 | 640 | 50 | 289 | 300 |
| BU41200_800_800_1000 | 800 | 800 | 500 | 1000 | 25 | 135 | 640 | 50 | 289 | 300 |
© Copyright 2025 Advance Enterprise. All Rights Reserved