Model Bk

  • Pressure Range -10-70 Bar
  • Operating Temperature – 0-70 ºC
  • Fluid Used – General Mineral Based Hydraulic Oil (ISO – VG32 Equivalent)
  • Given Value of Cylinder Forces Are at 70 Bar Pressure.
Model No. BK016 BK025 BK032 BK040 BK050 BK063
Cylinder Inner Diameter mm 16 25 32 40 50 63
Rod Diameter mm 10 16 20 25 32 40
Cylinder Force
Push kN 1.38 3.37 5.52 8.62 13.47 21.4
Pull kN 0.84 1.99 3.36 5.25 7.95 12.77
Effective area
Push cm² 2.01 4.9 8.04 12.56 19.63 31.17
Pull cm² 1.22 2.89 4.9 7.65 11.59 18.6
Small Stroke (code-S) BK-016S BK-025S BK-032S BK-040S BK-050S BK-063S
Full Stroke mm 16 16 16 25 25 25
Cylinder Capacity
Push cm³ 3.21 7.85 12.86 31.41 49.08 77.93
Pull cm³ 1.96 4.63 7.84 19.14 29.98 46.51
Mass Kg 0.9 1.2 1.9 2.8 4.5 7.5
Medium Stroke (code-M) BK-016M BK-025M BK-032M BK-040M BK-050M BK-063M
Full Stroke mm 25 25 25 50 50 50
Cylinder Capacity
Push cm³ 5.02 12.27 20.1 62.83 98.17 155.86
Pull cm³ 3.06 7.24 12.25 38.28 57.96 93.03
Mass Kg 1 1.4 2.1 3.7 5.6 9.3
Large Stroke (code-L) BK-016L BK-025L BK-032L BK-040L BK-050L BK-063L
Full Stroke mm 32 32 32 75 75 75
Cylinder Capacity
Push cm³ 6.43 15.7 25.73 94.24 147.26 233.79
Pull cm³ 3.92 9.27 15.68 57.43 86.94 139.54
Mass Kg 1.1 1.5 2.3 4.5 6.8 1.1
Extra Large Stroke (code-L) BK-016E BK-025E BK-032E BK-040E BK-050E BK-063E
Full Stroke mm 50 50 50 100 100 100
Cylinder Capacity
Push cm³ 10.05 25.54 40.21 125.66 196.34 311.72
Pull cm³ 6.12 14.49 24.5 76.57 115.92 186.06
Mass Kg 1.4 1.9 2.7 5.3 8 12.8

Description

  • Mounting bolts are not provided. Please prepare them according to the mounting height referring to mounting
    dimensions.
  • The piston rod has female thread. No contact bolt is included. Prepare them according to the dimensions and
    application.
  • G-thread plug is included and O-ring is provided at gasket option holes.
  • For piping option, gasket holes will not be provided.
  • When choosing gasket option , piping option holes will be provided for flow control valve. A flow control valve
    is mountable on G-ports of the cylinder.

 

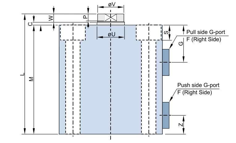
Model No. BK016 BK025 BK032 BK040 BK050 BK063
A 60 65 75 85 100 125
B 35 45 55 63 75 95
C 2 2 4 4 4 5
F G1/4 G1/4 G1/4 G1/4 G1/4 G3/8
G 22 22.5 27 29 35 35
i 9 12 15 15 18 24
J (Nominal X Pitch) M6X1 M8X1.25 M10X1.5 M10X1.5 M12X1.75 M16X2
H 22 30 35 40 45 65
K 40 50 55 63 76 95
O 44 52 59 69 80 99
P 3 4 5 5 5 8
∅R 6.8 9 11 11 14 17.5
S 4 9 11 11 13 17
∅T 11 14 18 18 19 25
∅U 10 16 20 25 32 40
∅V 9.2 15 19 24 30.5 38.7
W 4 5 6 6 6 9
X (Normal X pitch X Depth) M6X1X10 M10X1.5X15 M12X1.75X15 M16X2X25 M20X2.5X30 M27X2.5X40
Y 8 13 17 22 27 36
Z 13 14 14 14 15 19
∅AA 19 19 19 19 19 22
AB 5 5 5 5 5 5
Stroke Code-S (Small)
Stroke 16 16 16 25 25 25
L 68 70.5 80 91 101 111
M 62 73.5 70 81 91 97
Stroke Code-M (Medium)
Stroke 25 25 25 50 50 50
L 77 79.5 89 116 126 136
M 71 72.5 79 106 116 122
Stroke Code-L (Large)
Stroke 32 32 32 75 75 75
L 84 86.5 96 141 151 161
M 78 79.5 86 131 141 147
Stroke Code-E (Extra Large)
Stroke 50 50 50 100 100 100
L 102 104.5 114 166 176 186
M 96 97.5 104 156 166 172
∅AC 3 4 4 4 5 5
AE (Nominal X Pitch) M6X1 M8X1.25 M10X1.5 M10X1.5 M12X1.75 M16X2